- 商品描述
- 商品询价热度
Atlas阿特拉斯LSV28抛光磨砂机

Atlas LSV28抛光磨砂机优势特点
随附排气管
保养间隔长
集成式调速器
密封的角磨头
免润滑气动马达
优化加工速度
更低的噪音水平
高扭矩带来优化性能
更小的工件污染风险
LSV28抛光磨砂机各型号技术参数
| 型号 | ID | 空转转速 | 垫片直径 | 转轴螺纹 | 进气口螺纹 BSP | 空转速度下的空气消耗量 | 输出时的空气消耗量 | 自动平衡器 | 经过 EAC 认证 | EC 标准 | 高度 | 随主轴变化的高度 | 免润滑 | 输出 | 工作压力 | 型号类型 | 电机类型 | 推荐的软管尺寸 | 声压 | 声音标准 | 声音不确定度 | 转轴长度 | 含支撑手柄 | 震动标准 | 震动值 | WEEE | 重量 | EU 指令 | 长度 |
|---|---|---|---|---|---|---|---|---|---|---|---|---|---|---|---|---|---|---|---|---|---|---|---|---|---|---|---|---|---|
| LSV28 S021-M14 | 8423012572 | 2100 r/min | 180 mm | M14 | 3/8 inch | 5.6 l/s | 16.0 l/s | No | Yes | ISO 11148-8 | 93 mm | 86 mm | Yes | 0.68 kW | 90 psig | Angle | Vane | 10 mm | 74 dB(A) | ISO15744 | 3 dB(A) | 23 mm | Yes | ISO28927-3 | <2.5 m/s² | 0 | 4.1 lb | 2006/42/EC | 288 mm |
| LSV28 S040 | 8423012622 | 4000 r/min | 180 mm | 5/8-11 UNC | 3/8 inch | 4.0 l/s | 15.0 l/s | No | Yes | ISO 11148-8 | 93 mm | 86 mm | Yes | 0.62 kW | 90 psig | Angle | Vane | 10 mm | 78 dB(A) | ISO15744 | 3 dB(A) | 32 mm | Yes | ISO28927-3 | <2.5 m/s² | 0 | 3.3 lb | 2006/42/EC | 266 mm |
| LSV28 ST013-LF | 8423012626 | 1300 r/min | 180 mm | 5/8-11 UNC | 3/8 inch | 9.0 l/s | 20.0 l/s | No | Yes | ISO 11148-8 | 93 mm | 86 mm | Yes | 0.68 kW | 90 psig | Angle | Vane | 10 mm | 77 dB(A) | ISO15744 | 3 dB(A) | 32 mm | Yes | ISO28927-3 | <2.5 m/s² | 0 | 3.7 lb | 2006/42/EC | 289 mm |

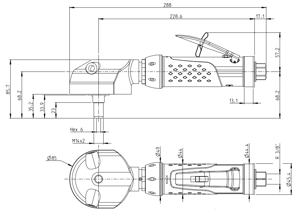
Atlas LSV28抛光磨砂机结构图


线上咨询




